
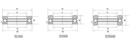
| Bearing No. | Boundary Dimensions | Basic Load Ratings | Limiting Speed | Weight | |||||||||
| 51000 | 53000 | 53000U | d | D | B | r min | Cr | Cor | Grease | Oil | 51000 | 53000 | 53000U |
| mm | mm | mm | mm | KN | KN | rpm | rpm | kg | kg | kg | |||
| 51313 | 53313 | 53313U | 65 | 115 | 36 | 1.1 | 128 | 287 | 1400 | 2200 | 1.57 | 1.61 | 1.95 |
| 51314 | 53314 | 53314U | 70 | 125 | 40 | 1.1 | 148 | 339 | 1300 | 1000 | 2.06 | 2.15 | 2.56 |
| 51315 | 53315 | 53315U | 75 | 135 | 44 | 1.5 | 171 | 396 | 1200 | 1900 | 2.68 | 2.72 | 3.27 |
| 51316 | 53316 | 53316U | 80 | 140 | 44 | 1.5 | 176 | 424 | 1200 | 1800 | 2.82 | 2.86 | 3.43 |
| 51317 | 53317 | 53317U | 85 | 150 | 49 | 1.5 | 206 | 189 | 1100 | 1700 | 3.66 | 3.63 | 4.44 |
| 51318 | 53318 | 53318U | 90 | 155 | 50 | 1.5 | 213 | 524 | 1000 | 1600 | 3.88 | 3.87 | 4.71 |
| 51320 | 53320 | 53320U | 100 | 170 | 55 | 1.5 | 236 | 596 | 940 | 1450 | 5.11 | 5.1 | 6.05 |
| 51322 | 53322 | 53322U | 110 | 190 | 63 | 2 | 280 | 754 | 810 | 1250 | 7.72 | 7.63 | 8.9 |
| 51324 | 53324 | 53324U | 120 | 210 | 70 | 2.1 | 325 | 931 | 710 | 1100 | 10.6 | 10.4 | 12.4 |
| 51326 | 53326 | 53326U | 130 | 225 | 75 | 2.1 | 346 | 1030 | 650 | 1000 | 13 | 12.7 | 15.2 |
| 51328 | 53328 | 53328U | 140 | 240 | 80 | 2.1 | 367 | 1130 | 620 | 950 | 15.5 | 15.1 | 18 |
| 51330 | 53330 | 53330U | 150 | 250 | 80 | 2.1 | 377 | 1200 | 580 | 900 | 16.3 | 15.7 | 18.8 |
| 51332 | 53332 | 53332U | 160 | 270 | 87 | 3 | 470 | 1570 | 550 | 850 | 21 | 21 | 23.4 |