
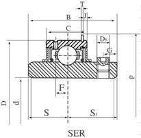
| Bearing No. | Boundary Dimensions(mm inch) | Basic Load Rating(N) | Weight | ||||||||||||
| 轴承型号 | 外形尺寸 | 额定负荷 | 重量 | ||||||||||||
| Dynamic | Static | Kg(pc) | |||||||||||||
| d | D | B | C | S | S1 | T | F | J | P | G | ds | Cr | Cor | ||
| SER204 | 20 | 47 | 31 | 15.9 | 10.3 | 20.7 | 1.12 | 3.8 | 2.46 | 52.7 | 4.8 | M6×0.75 | 9880 | 6200 | 0.21 |
| SER204-12 | 3/4 | 1.8504 | 1.2205 | 0.626 | 0.406 | 0.815 | 0.044 | 0.15 | 0.097 | 2.075 | 0.189 | 1/4-28UNF | |||
| SER205 | 25 | 52 | 34.9 | 19 | 13.1 | 21.8 | 1.12 | 5.2 | 2.46 | 57.9 | 5 | M6×0.75 | 10780 | 6980 | 0.27 |
| SER205-13 | 13/16 | 2.0472 | 1.374 | 0.748 | 0.516 | 0.858 | 0.044 | 0.205 | 0.097 | 2.28 | 0.197 | 1/4-28UNF | |||
| SER205-14 | 7/8 | ||||||||||||||
| SER205-15 | 15/16 | ||||||||||||||
| SER205-16 | 1 | ||||||||||||||
| SER206 | 30 | 62 | 38.1 | 22.2 | 15.9 | 22.2 | 1.7 | 5.6 | 3.28 | 67.7 | 5 | M6×0.75 | 14970 | 10040 | 0.39 |
| SER206-17 | 1 1/16 | 2.4409 | 1.5 | 0.874 | 0.626 | 0.874 | 0.067 | 0.22 | 0.129 | 2.665 | 0.197 | 1/4-28UNF | |||
| SER206-18 | 1 1/8 | ||||||||||||||
| SER206-19 | 1 3/16 | ||||||||||||||
| SER206-20 | 1 1/4 | ||||||||||||||
| SER207 | 35 | 72 | 42.9 | 23.8 | 17.5 | 25.4 | 1.7 | 5.6 | 3.28 | 78.6 | 6.7 | M8×1 | 19750 | 13670 | 0.63 |
| SER207-20 | 1 1/4 | 2.8346 | 1.689 | 0.937 | 0.689 | 1 | 0.067 | 0.22 | 0.129 | 3.094 | 0.264 | 5/16-24UNF | |||
| SER207-21 | 1 5/16 | ||||||||||||||
| SER207-22 | 1 3/8 | ||||||||||||||
| SER207-23 | 1 7/16 | ||||||||||||||
| SER208 | 40 | 80 | 49.2 | 27.8 | 19 | 30.2 | 1.7 | 6.4 | 3.28 | 86.6 | 8 | M8×1 | 22710 | 15940 | 0.81 |
| SER208-24 | 1 1/2 | 3.1496 | 1.937 | 1.0945 | 0.748 | 1.189 | 0.067 | 0.252 | 0.129 | 3.409 | 0.315 | 5/16-24UNF | |||
| SER208-25 | 1 9/16 | ||||||||||||||
| SER209 | 45 | 85 | 49.2 | 27.8 | 19 | 30.2 | 1.7 | 6.4 | 3.28 | 91.6 | 8 | M8×1 | 24360 | 17710 | 0.9 |
| SER209-26 | 1 5/8 | 3.3465 | 1.937 | 1.0945 | 0.748 | 1.189 | 0.067 | 0.252 | 0.129 | 3.606 | 0.315 | 5/16-24UNF | |||
| SER209-27 | 1 11/16 | ||||||||||||||
| SER209-28 | 1 3/4 | ||||||||||||||
| SER210 | 50 | 90 | 51.6 | 28.6 | 19 | 32.6 | 2.46 | 7.5 | 3.28 | 96.5 | 10 | M10×1 | 26980 | 19840 | 0.98 |
| SER210-29 | 1-13/16 | 3.5433 | 2.0315 | 1.126 | 0.748 | 1.283 | 0.097 | 0.295 | 0.129 | 3.799 | 0.394 | 3/8-24UNF | |||
| SER210-30 | 1 7/8 | ||||||||||||||
| SER210-31 | 1-15/16 | ||||||||||||||
| SER210-32 | 2 | ||||||||||||||
| SER211 | 55 | 100 | 55.6 | 30.2 | 22.2 | 33.4 | 2.46 | 7.5 | 3.28 | 106.5 | 10 | M10×1 | 33370 | 25110 | 1.4 |
| SER211-32 | 2 | 3.937 | 2.189 | 1.189 | 0.874 | 1.315 | 0.097 | 0.295 | 0.129 | 4.193 | 0.394 | 3/8-24UNF | |||
| SER211-33 | 2 1/16 | ||||||||||||||
| SER211-34 | 2 1/8 | ||||||||||||||
| SER211-35 | 2 3/16 | ||||||||||||||
| SER212 | 60 | 110 | 65.1 | 31.8 | 25.4 | 39.7 | 2.46 | 7.5 | 3.28 | 116.6 | 10 | M10×1 | 36740 | 27970 | 1.89 |
| SER212-36 | 2 1/4 | 4.3307 | 2.563 | 1.252 | 1 | 1.563 | 0.097 | 0.295 | 0.129 | 4.591 | 0.394 | 3/8-24UNF | |||
| SER212-37 | 2 5/16 | ||||||||||||||
| SER212-38 | 2 3/8 | ||||||||||||||
| SER212-39 | 2 7/16 | ||||||||||||||